4 3 Vortec Fuel System Diagram

4 3 Vortec Fuel Line Retainer Diy Forums

4 3 Vortec Fuel Line Retainer Diy Forums

4 3 Vortec Fuel Line Retainer Diy Forums

4 3 Vortec Fuel Line Retainer Diy Forums

4 3 Vortec Fuel Line Retainer Diy Forums

4 3 Vortec Fuel Line Retainer Diy Forums

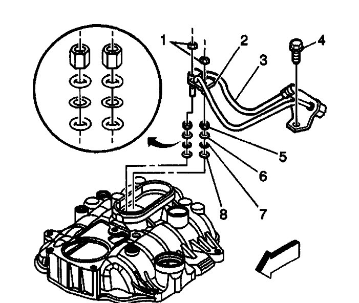
Fuel Line O Ring Sequence Order Blazer Forum Chevy

Fuel Line O Ring Sequence Order Blazer Forum Chevy

Diagram Fuel System Diagram For A 2001 Gmc 1500 43l Full

Diagram Fuel System Diagram For A 2001 Gmc 1500 43l Full

Fuel Leak This Vehicle Is A Four Wheel Drive 4 3 Liter

Fuel Leak This Vehicle Is A Four Wheel Drive 4 3 Liter

Fuel Leak This Vehicle Is A Four Wheel Drive 4 3 Liter

43 vortec mpi engine pdf manual download.

4 3 vortec fuel system diagram. If your reading this then like i did you have been searching the web and under the hood of you gmc jimmy s10 astrovan or chevy blazer trying to f. Radiator and cooling system fluids can all cause symptoms that mimic bad idle air control valves and. Troubleshooting a chevy 43 engine by contributor. In this article ill show you how.

This is a image galleries about 4 3 vortec engine cooling systemyou can also find other images like wiring diagram parts diagram replacement parts electrical diagram repair manuals engine diagram engine scheme wiring harness fuse box vacuum diagram timing belt timing chain brakes diagram transmission diagram and engine problems. When trying to pull out of parking lots or stop signs there is a hesitation. Poor mans repair guide for chevygmc vortec fuel injector spider or csfi system. The recently released 43l is made of aluminum alloy head and block although it continues to use the conventional ohv design with 2 cylinders per head.

A common complaint with the chevy 43 engine is that it doesnt idle well its loud and makes awkward noises. Brief history of the vortec v 6. Checking to see if fuel pressure is the problem on my sons s10. The 43 l v 6 engine has been around for a long time.

General motors took their popular engine block casting used for the 350 and 305 cubic inch displacement v 8s and cut two cylinders off. 43l s10 to fiero engine swap my fiero at oceanmoon pertaining to 43 liter v6 vortec engine diagram image size 726 x 448 px and to view image details please click the image. Much of the same base design was kept until the late 2000s. Examples of this are staling lurching and poor acceleration.

Finally review a list of symptoms that helps you identify the failed fuel injector from other common vortec v 6 issues. Here is a picture gallery about 43 liter v6 vortec engine diagram complete with the description of the image please find the image you need. The 43 l vortec is a traditional engine that general motors has been producing since the mid 1980s. Gm 43 liter fuel injection replacement this video demonstrates a fuel injector installation on a gm 43 liter vehicle featuring standard brand part fj503.

Fuel pressure test on a 2000 chevy s10 43 v6. Testing a leaking spider fuel injector assembly or a leaking fuel pressure regulator gm 43l 50l or 57l can seem impossible since both of these bad boys are located inside the intake manifolds plenum but they can be tested and its far easier than you think. 60 vvt 62 ls3 62 lsa 57 vortec mpi.

4 3 Vortec Vacuum Diagram Wiring Diagrams Folder

4 3 Vortec Vacuum Diagram Wiring Diagrams Folder

Part 1 Troubleshooting The Fuel Pump Gm 4 3l 5 0l 5 7l

Part 1 Troubleshooting The Fuel Pump Gm 4 3l 5 0l 5 7l

Chevy 4 3 Vortec Engine Diagram Schematics Online

Chevy 4 3 Vortec Engine Diagram Schematics Online

Chevy 4 3 Vortec Engine Diagram Era Electrical Schemes

Chevy 4 3 Vortec Engine Diagram Era Electrical Schemes

Living Under The Hood Diagnosing Central Port Fuel Injection

Living Under The Hood Diagnosing Central Port Fuel Injection

Poor Mans Repair Guide For Chevy Gmc Vortec Fuel Injector

Poor Mans Repair Guide For Chevy Gmc Vortec Fuel Injector

Repair Guides

Repair Guides

Repair Guides

Repair Guides

Part 1 Spider Fuel Injector Misfire And Hydrolock

Part 1 Spider Fuel Injector Misfire And Hydrolock

2000 Blazer 4 3 L Vortec Part 5 Fuel Injection Assemble Hose Routing

2000 Blazer 4 3 L Vortec Part 5 Fuel Injection Assemble Hose Routing

Mercruiser 4 3l 2 Barrel Gm 262 V 6 1988 1992 Fuel Pump

Mercruiser 4 3l 2 Barrel Gm 262 V 6 1988 1992 Fuel Pump

Repair Guides

Repair Guides

4 3 V6 Engine Diagram Machine Learning

4 3 V6 Engine Diagram Machine Learning

Chevy S10 4 3 Vortec Engine Diagram Wiring Diagrams

Chevy S10 4 3 Vortec Engine Diagram Wiring Diagrams

Vacuum Line Diagram For A 2004 Gmc Sonoma 4 3 V6 Vortec

Vacuum Line Diagram For A 2004 Gmc Sonoma 4 3 V6 Vortec

Source : pinterest.com

Popular Posts