Freezer Schematic

Schematic Diagram Of Freezer Refrigerator System Download

Schematic Diagram Of Freezer Refrigerator System Download

Schematic Representation Of The Household Refrigerator

Schematic Representation Of The Household Refrigerator

Types Of Freezers Refrigerator Troubleshooting Diagram

Types Of Freezers Refrigerator Troubleshooting Diagram

Freezer Wiring Diagram Wiring Schematic Diagram

Freezer Wiring Diagram Wiring Schematic Diagram

Understanding Fridge Wiring Diagram Home Improvement Stack

Understanding Fridge Wiring Diagram Home Improvement Stack

Freezer Schematic Wiring Diagram

Freezer Schematic Wiring Diagram

Freezer Schematic Wiring Diagram

It may be a loose paper schematic it may be glued onto the cabinet it may be printed onto the cabinet or it maybe stamped or etched into the metal or plastic.

Freezer schematic. Upright freezer wiring diagram online. Upright freezer wice maker. Bohn walk in freezer wiring diagram at heatcraft for wiring diagram. Variety of walk in freezer wiring schematic.

Variety of walk in freezer defrost timer wiring diagram. Variety of bohn walk in freezer wiring diagram. Glfh1779gw 167 cu. A wiring diagram is a streamlined traditional photographic representation of an electrical circuit.

A wiring diagram is a streamlined standard pictorial representation of an electrical circuit. A wiring diagram is a streamlined standard pictorial depiction of an electric circuit. Part 60 wiring circuit drawings are useful when working on wiring. It shows the elements of the circuit as simplified shapes as well as the power and signal links in between the gadgets.

Heatcraft walk in freezer wiring diagram download heatcraft freezer wiring diagram techrush. Assortment of heatcraft walk in freezer wiring diagram. So manufacturers usually place a schematic of the appliances wiring somewhere on the appliance itself. Heatcraft freezer wiring diagram techrush.

Upright freezer freezer pdf manual download. Mc cable is not a approved method for electrical wiring for a walk in cooler or freezer. View and download frigidaire glfh1779gw 167 cu. A wiring diagram is a streamlined conventional photographic depiction of an electric circuit.

A wiring diagram is a simplified traditional pictorial representation of an electric circuit. It reveals the components of the circuit as streamlined shapes and the power and also signal links between the tools. It reveals the components of the circuit as simplified shapes and also the power and signal links in between the tools. Variety of true freezer t 49f wiring diagram.

It shows the components of the circuit as simplified forms and also the power as well as signal connections in between the gadgets. Collection of walk in freezer wiring diagram.

Domestic Refrigerator Components And Operations

Domestic Refrigerator Components And Operations

Pub Cbm Schematics Cartridges C64 Freezer

Pub Cbm Schematics Cartridges C64 Freezer

Looking For Haier Model Bd101g Chest Freezer Repair

Looking For Haier Model Bd101g Chest Freezer Repair

Types Of Freezers Refrigerator Troubleshooting Diagram

Types Of Freezers Refrigerator Troubleshooting Diagram

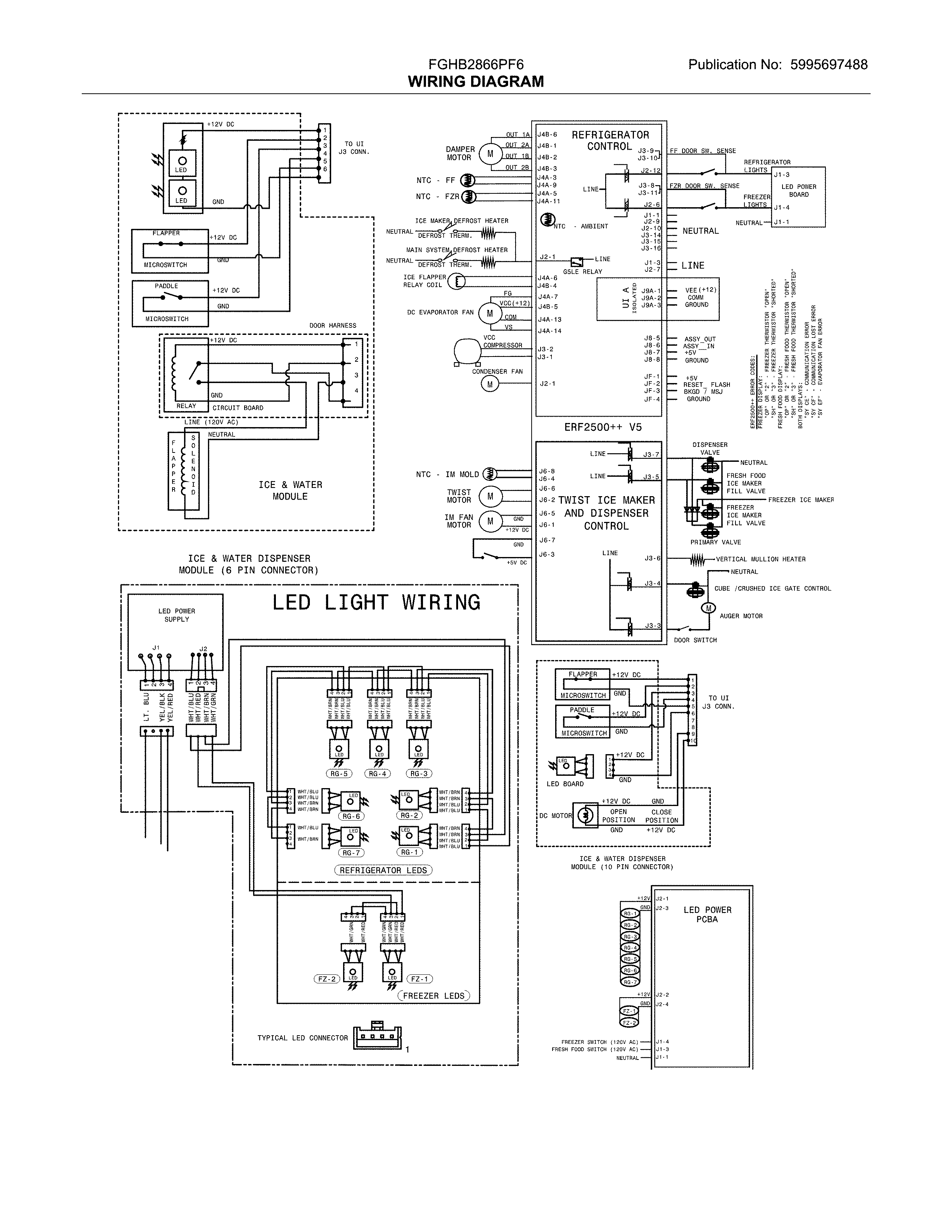
Looking For Frigidaire Model Fghb2866pf6 Bottom Mount

Looking For Frigidaire Model Fghb2866pf6 Bottom Mount

Danby Freezer Wiring Diagram Wiring Schematic Diagram

Danby Freezer Wiring Diagram Wiring Schematic Diagram

Electrolux Enn28600 92577174302 Fridge Freezer Cooling

Electrolux Enn28600 92577174302 Fridge Freezer Cooling

Whirlpool Ehl151fxrq00 Chest Freezer Parts And Accessories

Whirlpool Ehl151fxrq00 Chest Freezer Parts And Accessories

Looking For Universal Multiflex Frigidaire Model

Looking For Universal Multiflex Frigidaire Model

Whirlpool Eh225fxtq01 Chest Freezer Parts And Accessories At

Whirlpool Eh225fxtq01 Chest Freezer Parts And Accessories At

Electrical Circuit Of A Refrigerator With Diagram

Electrical Circuit Of A Refrigerator With Diagram

Wiring Diagram For A Walk In Freezer Machine Learning

Wiring Diagram For A Walk In Freezer Machine Learning

Looking For Kenmore Elite Model 79578753802 Bottom Mount

Looking For Kenmore Elite Model 79578753802 Bottom Mount

How A Refrigerator Works

How A Refrigerator Works

Chest Freezer Parts Mlmtravel Co

Chest Freezer Parts Mlmtravel Co

Source : pinterest.com

Popular Posts