Printable Paper DB
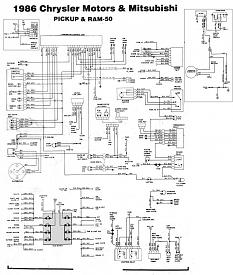
Mitsubishi Mighty Max Wiring Diagram
attendance calendar template excel
after effects wedding templates
fresh graduate unsolicited application letter sample
cat6 certification tool
diagram turbo 400 band
honda cbr wiring diagram
joannes fabrics coupon printable
1999 lincoln town car fuse box
I Need A 1996 Mitsubishi Mighty Max Wiring Diagram That
Wiring Diagrams
Wiring Diagrams
Wiring Diagrams
Wiring Diagrams
Wiring Diagrams
Crank No Spark
Wiring Diagram For 1991 Mitsubishi Mighty Max Truck I Mixed
I Gotta Ac Problem
Mitsubishi Ac Wiring Diagrams Wiring Schematic Diagram
Starter Cranking In Run Position
Could I Get The Proper Wiring Diagram For A 1986 Misubit
I Gotta Ac Problem
Dodge Ram 50 Pickup Questions I Need The Electric Wiring
Repair Guides
Isuzu Npr Wiring Diagram
Dodge Ram 50 Pickup Questions I Need The Electric Wiring
Repair Guides
Mitsubishi Mighty Max Wiring Diagram Wiring Library
Mighty Max Fuse Diagram Wiring Diagram
Alternator Help
Source :
pinterest.com
Popular Posts
Calendar Pdf Template Free Printable Printable Printable Calendar Blank Calendar May 2020
2006 Pontiac G6 Fuse Diagram
Individual Month Small Printable Calendar 2019
5th Grade Worksheets
Fuse Box In Suzuki Grand Vitara
Asu Graduate Certificates Online
Goodman Electric Heat Strip Wiring
Jaguar Jazzmaster Wiring
How To Create A Staffing Plan Template
Financial Business Case Template Excel
Ecommerce Strategy Template
Free Excel Home Budget Template
Dominos Printable Menu
Certification Google Ads
Keep Track Of Expenses Excel Template
Computer Equipment Inventory Template
2015 Honda Accord Interior Fuse Box Diagram
Floor L Switch Wiring Diagram
1998 Chevy Metro Wiring Diagram
Id Card Template
3 Way 4 Switch Wiring Diagram Ask The
1983 Deutz Alternator Wiring Diagram
Find Birth Certificate
Allison Wiring Diagram
Eec Certification Ma
4th Grade Math Worksheets Free Print
Custom Neck Label Template
Coat Of Arms Template Transparent
Itil Certification Description
Ach Remittance Advice Template
Gmail Read Receipt Without Recipient Knowing
2004 Trailblazer Stereo Wiring Diagram
Farmall International Tractor Wiring Diagram
Free Interpreter Certification
Home Inspection Template
Editable Free Retirement Party Invitation Templates For Word
Business Math Worksheets
Delivery Order Template Free
Blank Printable Timeline Template
For A Fuse Box Diagram For 2002 Town Car
Dialarc 250 Acdc Welder
Fpl Utility Bill Template
Format Report Writing Sample For Students
Ford Sierra Fuse Box Diagram
2000 Vw Jetta Fuse Diagram
General Manager Job Description Sample
Administrative Assistant Resume Objective
Business Case Template Excel Free Download
91 Mazda B2200 Wiring Diagram
Fiat 850 Spider Wiring Diagram
Free Printable House Hunting Checklist
Bassline Wiring Diagram
2003 Ford F 150 Fus Identify
Free Printable Sample Eviction Notice Texas
2011 Subaru Legacy Fuse List