Printable Paper DB
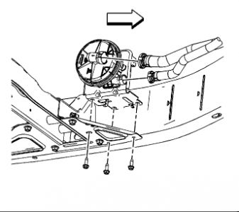
Trailblazer Secondary Air Injection Diagram
mba fresher resume for hr
printable vinyl for t shirts
sample thank you letter after business meeting
retail store manager resume format
test plan template for manual testing
standard resume template
printable aesthetic sticker pack
microsoft powerpoint presentation templates free download
Troubleshooting Gm Code P0410 Chevy Trailblazer Secondary Air Injection System
Trailblazer Secondary Air Injection Diagram Wiring Today
Chevy Trailblazer P0410 Secondary Air Injection Pump Failure
Trailblazer Secondary Air Injection Diagram Wiring Today
Repair Guides
2006 Chevy Trailblazer P0411 Code Check Engine Light Is On
Is There A Fuse For The Secondary Air System Under The
Repair Guides
P0410 Chevrolet Trailblazer Secondary Air Injection Check Valve And Pump Replacement
Solved Secondary Air Pump Fuse And Relay Location Fixya
Repair Guides
Secondary Air Injection Pump Page 2 Chevrolet Forum
P0418 Secondary Air Injection Air Pump Relay A Circuit
P2432 Secondary Air Injection Chevrolet Colorado Gmc
2005 Chevy Trailblazer Check Engine Light Is On
Secondary Air Injection Valve Location Chevy Trailblazer
2001 Chevrolet S 10 Obd Ii Code Reads P0410 Secondary Air
Trailblazer Secondary Air Injection Diagram Wiring Today
Test Secondary Air Injection Check Questions Answers With
Amazon Com Apdty 022261 Secondary Air Injection Check Egr
Repair Guides
Source :
pinterest.com
Popular Posts
Yearly Appraisal Performance Appraisal Form Filled Sample Pdf
Movie Script Screenplay Outline Template
Picnic Invitation Template
S Mime Receipt Outlook
Yoga Certification Tulsa
Pdf Skills Gap Analysis Template
Printable Free Algebra Worksheets
Sample Acknowledgement Letter For Receiving Items
Master Technician Certification
Quote Tracking Template
Printable Dolls And Clothes
Pharmaceutical Certification Programs
Lowrance Networking Diagram
Vehicle Safety Inspection Checklist Template Ontario
Medical Receptionist Resume Sample
Warn Winch Part Schematic
Website Terms And Conditions Template
Performance Improvement Plan Sample Letters
Sample Job Application Form Word Document
Lent In A Bag Printable
Shopping List Template Excel
Wiring Diagram For 3 Way Switch Feed At Light
Sport Indemnity Form Template
Risk Register Template Nz
Transcript Request Form Template
Orgain Protein Powder Coupons Printable
Wbs Template Excel Free
Sample Collection Letter Past Due Accounts
Rack Room Coupons Printable
Printable Cut Out Pinewood Derby Templates
Smart Fortwo Smart Car Fuse Box Diagram
Kubotum Tractor Electrical Wiring Diagram
Rfp Response Template
Research Proforma Sample
Referral Form Template For Doctors
Wedding Invitation With Picture Templates
Small Business Investment Contract Template
Painles Wiring Harnes 1987 R10
Unicorn Mask Template
Mcdonalds Happy Meal Box Template A4
Schedule Grid Template
Sample Resume For Students
Office Depot Certificates
Sewing Teacher Certification
Super Teacher Worksheets Wwwsuperteacherworksheetscom
Simple Budget Template Word
Nasm Certification Renewal
Toyotum Fuse Block Diagram
Relocation Budget Template
Stucco Inspection Certification
Profit And Loss Template Simple
Printable Profit And Loss Statement
Printable Address List Template
Template For Creating A Family Tree
Three Way Circuit Wiring Diagram