Megaflow Wiring Diagram

Megaflo Eco Plus 400l 500l 570l Product Guide

Megaflo Eco Plus 400l 500l 570l Product Guide

Megaflo Cl250 Manual

Megaflo Cl250 Manual

Megaflow Wiring Diagram Wiring Diagram

Megaflow Wiring Diagram Wiring Diagram

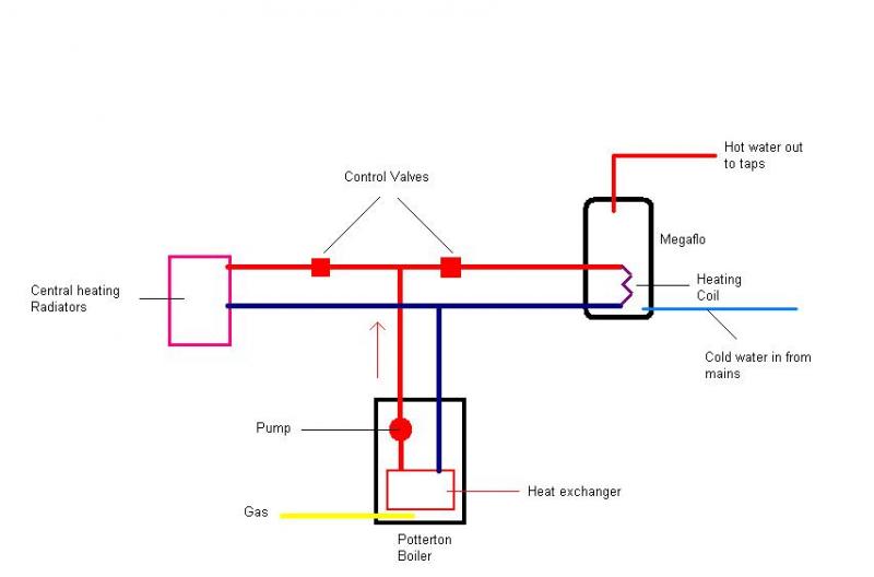
Boiler System Megaflow Boiler System Explained

Boiler System Megaflow Boiler System Explained

Megaflo Eco Plus Unvented Hot Water Cylinders 250l 300l

Megaflo Eco Plus Unvented Hot Water Cylinders 250l 300l

Central Heating Electrical Wiring Part 2 S Plan

Central Heating Electrical Wiring Part 2 S Plan

Central Heating Electrical Wiring Part 2 S Plan

Disconnect from the mains supply before removing any covers.

Megaflow wiring diagram. Refer to sec tions 42 and 43 and diagram 9 for details of wiring and operation of the immersion heater. Trying to work it out from the wiring diagrams in megaflo installation book but they only show s y plan wiring and doesnt cover this situation. Megaflo safety cut out wiring to valve. With all the features of the premierplus the premierplus systemfit is provided complete with factory fitted wiring and plumbing to make installation easy whether it is being installed in a new build or as a replacement for a hot water tank.

Help with wiring centre diynot forums source. Heatrae sadia megaflo installation manual 36 pages. Heatrae sadia premierplus solar. The wiring has to be exactly as the megaflo manual.

Nothing else will make. Ised valve and wiring centre. Related manuals for heatrae sadia megaflo. Figure 15 schematic wiring diagram direct immersion heater with adjustment details direct wiring layout 15mm2.

Never attempt to replace an immersion heater other than with the recommended megaflo eco spare part. Y plan heating with unvented cylinder and 2 port valve source. Water heater heatrae sadia megaflo solar installation manua. The megaflo eco systemready sb is to be used for the storage of wholesome water max.

Page 20 figure 12 indirect controls housing. Generally its pressure and owrate performance will far exceed that from a compara ble vented system thermal store multipoint instantaneous gas heater or combination boiler. The 3 bar pressure reducing valve can be connected to a maximum mains supply pressure of 16 mpa 16 bar. Megaflo cl250 manual source.

Home megaflo systems megaflo description megaflo installation electric only megaflo installation regardless of which unvented cylinder you choose be sure the overall system is suitably designed the design and installation of any megaflo or unvented hot water system is of paramount importance. The megaflo eco systemready sb has an operating pressure of 3 bar which is controlled by the 3 bar pressure reducing valve. Correctly sized pipes ensure optimum performance and efficiency in delivering high. Page 24 unvented hot water cylinder.

Creative 11 Megaflo Thermostat Wiring Diagram Galleries Michka

Creative 11 Megaflo Thermostat Wiring Diagram Galleries Michka

Megaflo Eco Plus 400l 500l 570l Product Guide

Megaflo Eco Plus 400l 500l 570l Product Guide

Unvented Indirect Systemfit Hot Water Cylinders

Unvented Indirect Systemfit Hot Water Cylinders

Document

Document

How To Change A Megaflo Immersion Heater Thermostat

How To Change A Megaflo Immersion Heater Thermostat

Question Nest Heatlink Installation For Megaflo Avforums

Question Nest Heatlink Installation For Megaflo Avforums

Megaflow Wiring Diagram List Of Wiring Diagrams

Megaflow Wiring Diagram List Of Wiring Diagrams

Megaflo Piping Diagram Wiring Diagram Third Level

Megaflo Piping Diagram Wiring Diagram Third Level

Megaflo Piping Diagram Wiring Diagram Database

Megaflo Piping Diagram Wiring Diagram Database

Y Plan Wiring Diagram Wiring Schematic Diagram

Y Plan Wiring Diagram Wiring Schematic Diagram

Megaflo Piping Diagram Technical Diagrams

Megaflo Piping Diagram Technical Diagrams

Megaflow Wiring Diagram List Of Wiring Diagrams

Megaflow Wiring Diagram List Of Wiring Diagrams

Document

Document

Installation Requirements For High Performance Megaflo Hot

Installation Requirements For High Performance Megaflo Hot

Boiler System What Is A Megaflow Boiler System

Boiler System What Is A Megaflow Boiler System

Source : pinterest.com

Popular Posts